KJT-LS型地址碼防爆拉繩開關
- 產品系列:KJT-LS型地址碼防爆拉繩開關
- 負載電流:AC380V 5A,DC24V 5A
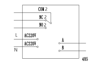
- 觸點方式:常開1.常閉1;常開2. 常閉2.(訂貨時請注明)
- 復位方式:手動/自動
- 電器壽命:>10萬次
- 防護等級:IP65/IP67
凱基特KJT-LS型地址碼防爆拉繩開關廣泛應用于鋼鐵、水泥、電廠、礦山等具有帶式輸送機的廠礦,該產品安裝在膠帶輸送機兩側,是用于膠帶輸送機緊急事故停機的一種保護開關,在開關操作距離內任何一點拉動鋼絲繩,切斷運行電路使全線停機,實現對膠帶機及人生安全的保護。
工作原理:
當膠帶運輸現場發生緊急事故時,拉動系在吊耳上的鋼絲繩,是機內的滑塊與開關作用,發出停機信號。 松開鋼絲繩后開關自動復位。

| 環境溫度 | -40℃~50℃ |
| 相對濕度 | 0~95% |
| 動作角度 | 20°-30° |
| 極限角度 | 75° |
| 動作力 | 70-100N |
| 觸點數量 | 1個常開,1個常閉(可根據需要增加2組常開;2組常閉) |
| 觸點容量 | AC380V 5A DC24V 5A |
| 復位方式 | 手動/自動 |
| 電氣壽命 | >10萬次 |
| 防護等級 | IP65/IP67 |
| 重量 | 3Kg |




●開關平衡得按在機架的固定支架上;
●將鋼絲繩系在兩端的拉環上,每側繩不超過40m(有坡度時應當縮短);
●拉繩壓力應適宜,以確保開關可靠復位;
●拉繩沿膠帶平行方向設置,每10m加一吊環。
●鋼絲繩按用戶所需規格,廠方可代購。

地址編碼器使用自擬協議提供RS485通訊接口與綜保儀連接。通過使用屏蔽雙絞線和通訊中繼器,傳輸距離可達1km。




