凱基特防焊渣接近開關,動作可靠,性能穩(wěn)定,頻率響應快,應用壽命長,抗干擾能力強,識別金屬目標,感應范圍大,多種類型,可耐受磁場與焊接飛濺物等,產品外形尺寸,線纜,檢測距離均可定制。

| ● 防焊渣飛濺侵蝕,不粘附 | 埋入式 |
| ● PTFE鐵氟龍材料耐酸堿、鹽霧.凍融等浸漬 | 非埋入式 |
| ● 新型鐵氟龍管殼電線降低摩擦和碰撞降低 | PNP常開觸點 |
| ● 傳感器表面短時間接觸,可瞬間耐高溫260C | PNP常閉觸點 |
| ● 環(huán)境溫度:-25℃~+70℃ |

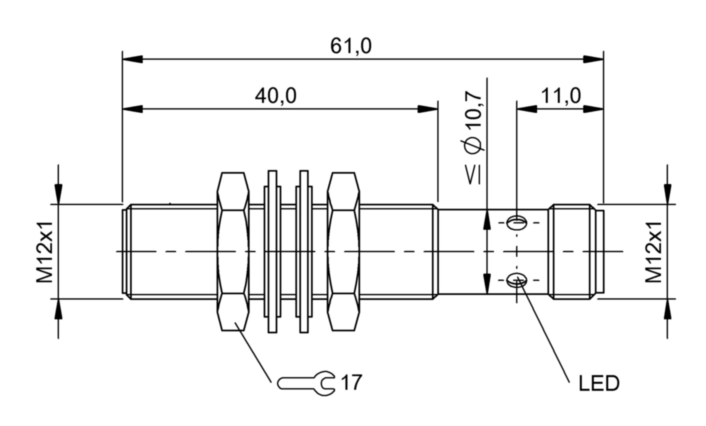
| 尺寸 | 12 x 61 mm |
| 結構 | M12x1 |
| 安裝 | 埋入式 |
| 作用范圍 | 2 mm |
| 開關輸出端 | PNP常開觸點 |
| 開關頻率 | 1000 Hz |
| 外殼材料 | 不銹鋼, 涂層,PTFE |
| 感應面,材料 | PTFE |
| 接口 | 插接器,M12x1公頭,4針 |
| 工作電壓Ub | 10-36 VDC |
| 環(huán)境溫度 | -25...70C |
| 抗磁場干擾 | 抗磁場干擾(AC/DC |
| 防護等級 | IP67 |
| 許可/一致性 | CE WEEE |
| 重復精度 | <3.0%(Sr) |
| 溫度漂移 | <10%(Sr) |
| 響應時間 | 0.5ms |
| 連接方式 | 2M PVC引線 |
| 防護等級 | IP67 |
| EMC | RFI>3V/M / EFT>1KV / ESD>4KV(contact) |
| 沖擊/震動 | IEC 60947-5-2,Part7.4.1 / IEC 60947-5-2,Part7.4.2 |





